En promo
Manuel d'entretien Manual Yanmar 2TNV70 - 3TNV70 - 3TN76 | Goldoni | Takeuchi | Hitachi
ManuelsDescription
Manuel d' ? des moteurs diesel Yanmar – Série TNV
Pour les types de moteurs : 2TNV70, 3TNV70, 3TNV76
Ce manuel de service Yanmar original est le guide technique parfait pour les mécaniciens, les professionnels et les bricoleurs expérimentés travaillant avec les moteurs diesel de la série TNV . Idéal pour l'entretien, la réparation et la compréhension complète du moteur.
✅ Contenu du manuel :
-
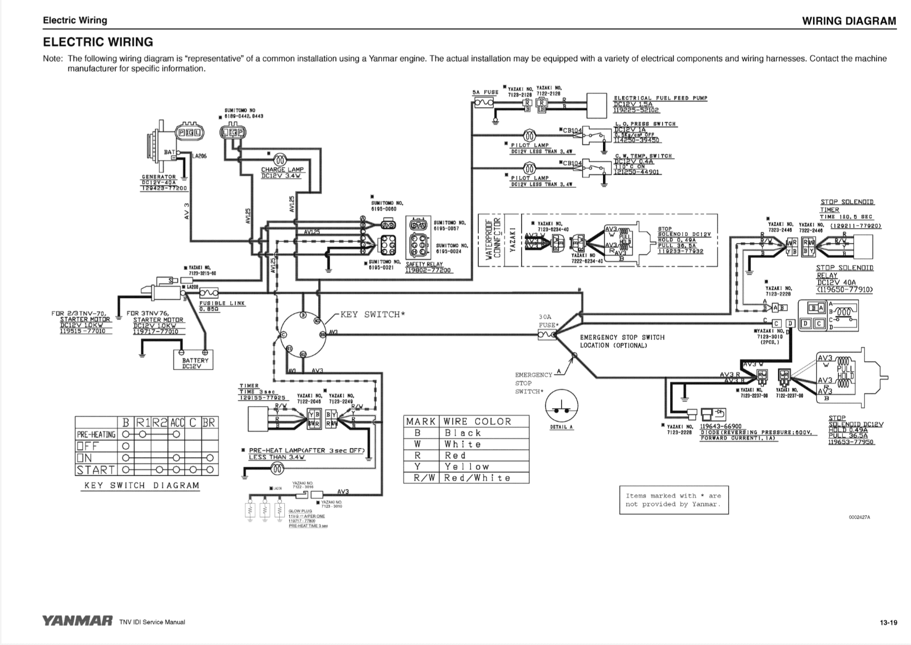
Données techniques complètes des moteurs 2TNV70, 3TNV70 et 3TNV76
-
Spécifications , tolérances, couples de serrage, jeux de soupapes et plus
-
Instructions étape par étape pour l'entretien, le démontage, l'inspection et le montage
-
Vues éclatées et schémas pour une identification facile des pièces
-
Informations détaillées sur le système de carburant, le refroidissement, la lubrification et les pièces internes
? Spécifications :
-
Langue : anglais
-
Nombre de pages : 140
-
Format : Reproduction numérique haute résolution (PDF), idéale pour l'impression ou l'utilisation sur ordinateur portable/tablette
?️ Applications :
Couramment utilisé, entre autres, dans :
-
Mini-pelles
-
Tracteurs compacts
-
Machines industrielles
-
Agrégats et systèmes de pompage
Ammann
-
AV 12-2, AV 16-2, AV 16-2 K, AV 20-2
Fuchs
-
F853
Gehl
-
AL-140
Goldoni
-
Boxster 20, Boxster 25
Hitachi
-
ZX 17-U5A, ZX 19-U5A, ZX 26U-5A (axe Z)
John Deere
-
X495, X595, X740, X744, X748, X950
-
1026R, 2026R, 2305, 2320
-
XUV 850D
Komatsu
-
3D70E, 3D76E
-
PC22MR-3, PC26MR-3
Kramer
-
250, 348-00, 0001 →
Landini
-
4630 BRAS, 4630 ISM
Maeda
-
MC-305C-2
Mase
-
EST 7.6, EST 8.1, Mariner 810
McCormick
-
4630 BRAS, 4630 ISM
Mosa
-
GE 10 YSX, GE 10 YSXC, GE 8 YSXC
Mustang
-
AL-106, 1503, 2803ZT
Takeuchi
-
TB219, TB20R
Valpadana
-
4630 BRAS, 4630 ISM
Wacker Neuson
-
1404, 1703, 2003, 2404, 28Z3, ET18, ET20, ET24, EZ17, EZ28
Yanmar
-
SV15, SV17, SV18
-
Moteurs : 3TNV70, 3TNV70-ASA, 3TNV70-HGE, 3TNV76


